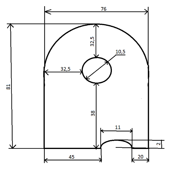
Размеры крышки для ниши запасного колеса.

Всё о ремонте и эксплуатации BMW E21.
Аватара пользователя
Vspyshkin
Почётный житель
Сообщения: 710
Зарегистрирован: 09 ноя 2013, 02:02
Репутация: 9
Гараж: 318i
Откуда: Смоленск
Благодарил (а): 11 раз
Поблагодарили: 15 раз
Контактная информация:

Размеры крышки для ниши запасного колеса.

Сообщение Vspyshkin » 09 окт 2016, 19:54

Все размеры выполнены в сантиметрах, с максимальной погрешностью 0.5 см.
Сняты с оригинала, который из-за возраста весь пропеллером, поэтому не исключается погрешность.
Вложения
Размеры крышки запасного колеса.png


VladMsk
Новичок
Сообщения: 284
Зарегистрирован: 24 дек 2016, 12:23
Репутация: 7
Гараж: 315 "черный колхоз"
Откуда: Moscow
Благодарил (а): 21 раз

Размеры крышки для ниши запасного колеса.

Сообщение VladMsk » 22 фев 2017, 20:06

в центральную круглую дырку прижимная фигня с гайкой не встанет форма должна несколько яйцнвидной что ли


Аватара пользователя
БорисБ
Почётный житель
Сообщения: 923
Зарегистрирован: 16 фев 2014, 18:26
Репутация: 11
Гараж: Е21 323i
Откуда: Санкт-Петербург
Благодарил (а): 17 раз
Поблагодарили: 42 раза

Размеры крышки для ниши запасного колеса.

Сообщение БорисБ » 22 фев 2017, 20:40

VladMsk писал(а):Источник цитаты в центральную круглую дырку прижимная фигня с гайкой не встанет форма должна несколько яйцнвидной что ли

Вроде написано что снято с оригинала.
БорисМихаилМаксим


Аватара пользователя
Grigoriy_48rus
Авторитет
Сообщения: 1633
Зарегистрирован: 29 июн 2012, 21:55
Репутация: 13
Гараж: 323I
Откуда: г.Грязи
Благодарил (а): 4 раза
Поблагодарили: 18 раз

Размеры крышки для ниши запасного колеса.

Сообщение Grigoriy_48rus » 22 фев 2017, 21:28

круглая, крутилка-прижимная круглая и отверстие круг)
BMW E21 323i 80г.в.


VladMsk
Новичок
Сообщения: 284
Зарегистрирован: 24 дек 2016, 12:23
Репутация: 7
Гараж: 315 "черный колхоз"
Откуда: Moscow
Благодарил (а): 21 раз

Размеры крышки для ниши запасного колеса.

Сообщение VladMsk » 23 фев 2017, 12:14

прижималка не круглая в том то и дело


Аватара пользователя
Grigoriy_48rus
Авторитет
Сообщения: 1633
Зарегистрирован: 29 июн 2012, 21:55
Репутация: 13
Гараж: 323I
Откуда: г.Грязи
Благодарил (а): 4 раза
Поблагодарили: 18 раз

Размеры крышки для ниши запасного колеса.

Сообщение Grigoriy_48rus » 23 фев 2017, 12:16

:shock: вечером гляну
BMW E21 323i 80г.в.


VladMsk
Новичок
Сообщения: 284
Зарегистрирован: 24 дек 2016, 12:23
Репутация: 7
Гараж: 315 "черный колхоз"
Откуда: Moscow
Благодарил (а): 21 раз

Размеры крышки для ниши запасного колеса.

Сообщение VladMsk » 23 фев 2017, 13:56

и кстати мне пришлось в нижних углах прямоугольник сантиметр на три приблизительно срезать иначе упирался в штамповку дна


Аватара пользователя
Vspyshkin
Почётный житель
Сообщения: 710
Зарегистрирован: 09 ноя 2013, 02:02
Репутация: 9
Гараж: 318i
Откуда: Смоленск
Благодарил (а): 11 раз
Поблагодарили: 15 раз
Контактная информация:

Размеры крышки для ниши запасного колеса.

Сообщение Vspyshkin » 24 фев 2017, 00:15

Погрешности не исключены, размеры снятые с оригинала, которому уже за 30 нещадной эксплуатации.
На счет центрального отверстия, круглое должно быть.


VladMsk
Новичок
Сообщения: 284
Зарегистрирован: 24 дек 2016, 12:23
Репутация: 7
Гараж: 315 "черный колхоз"
Откуда: Moscow
Благодарил (а): 21 раз

Размеры крышки для ниши запасного колеса.

Сообщение VladMsk » 24 фев 2017, 11:30

как можно в круглое отверстие вставить прижималку? прижималка имеет чуть ниже (1см) верхней круглого канта второй кант который совсем не круглый и как я понимаю должен заходить за крышку, те крышка запаски оказывается между двумя кантами прижималки. я сначала из фанерки наколхозил круглую дырку. прижималка разумеется в него не влезла.


Аватара пользователя
Vspyshkin
Почётный житель
Сообщения: 710
Зарегистрирован: 09 ноя 2013, 02:02
Репутация: 9
Гараж: 318i
Откуда: Смоленск
Благодарил (а): 11 раз
Поблагодарили: 15 раз
Контактная информация:

Размеры крышки для ниши запасного колеса.

Сообщение Vspyshkin » 23 апр 2017, 20:41

VladMsk, честно говоря я не знаю как должно быть, но крышка с которой я снимал размеры, ну совсем не имела вид самодельной копии, ну ни как она не похожа. Поэтому следует вывод что это оригинал.



Вернуться в «Ремонт и эксплуатация»

Кто сейчас на конференции

Сейчас этот форум просматривают: нет зарегистрированных пользователей и 1 гость