Хром зеркало. Нужен совет по установке!
- bes-the-bes
- Почётный житель
- Сообщения: 638
- Зарегистрирован: 15 июн 2010, 18:51
- Репутация: 0
- Гараж: 323
- Откуда: Россия, Сочи
- Благодарил (а): 6 раз
- Поблагодарили: 5 раз
Хром зеркало. Нужен совет по установке!
Здравствуйте, уважаемые господа! На днях приобрел хром зеркала (не электро)
Хочу установить на пострестайлинговые двери (зеркала пластик в нижних треугольниках стекол).
Подскажите, пожалуйста, расстояния (широтные, высотные от краев двери) и до мест, в которых необходимо будет сделать отверстия под крепеж.
Также (вдруг у кого лежит в гараже) приобрету резиновую прокладку (6), внутреннюю пластину крепления зеркала (7), крепежные элементы (3, 4, 8 ) как левые, так и правые.
Также приобрету треугольные заглушки в углах передних боковых стекол (6) (версии с хром зеркалами)
Заранее спасибо!
Хочу установить на пострестайлинговые двери (зеркала пластик в нижних треугольниках стекол).
Подскажите, пожалуйста, расстояния (широтные, высотные от краев двери) и до мест, в которых необходимо будет сделать отверстия под крепеж.
Также (вдруг у кого лежит в гараже) приобрету резиновую прокладку (6), внутреннюю пластину крепления зеркала (7), крепежные элементы (3, 4, 8 ) как левые, так и правые.
Также приобрету треугольные заглушки в углах передних боковых стекол (6) (версии с хром зеркалами)
Заранее спасибо!
-
nikx
- Новичок
- Сообщения: 104
- Зарегистрирован: 31 авг 2010, 07:10
- Репутация: 0
- Откуда: Казахстан, Темиртау
Re: Хром зеркало. Нужен совет по установке!
Я так понимаю, что у тебя стоковые зеркала от Е21? В таком случае, отверстия у тебя в дверях уже есть. Сними внутреннюю общивку двери и увидешь крепление под зеркало. Завтра размеры и расположение отверстий скину
На реанимационном столе Акула купе BMW 316 1979 г.в.
- bes-the-bes
- Почётный житель
- Сообщения: 638
- Зарегистрирован: 15 июн 2010, 18:51
- Репутация: 0
- Гараж: 323
- Откуда: Россия, Сочи
- Благодарил (а): 6 раз
- Поблагодарили: 5 раз
Re: Хром зеркало. Нужен совет по установке!
В данный момент установлены неродные зеркала, избавиться от которых одна из первоочередных задач для меня )
http://www.drive2.ru/cars/bmw/3_series/ ... es-the-bes
Двери у меня пострестайл, отверстий в дверях нет, зеркала установлены в нижних треугольниках рамок дверей.
Буду очень благодарен за размеры и расположение отверстий! Хочется сделать отверстия, максимально приближенные заводским параметрам )
http://www.drive2.ru/cars/bmw/3_series/ ... es-the-bes
Двери у меня пострестайл, отверстий в дверях нет, зеркала установлены в нижних треугольниках рамок дверей.
Буду очень благодарен за размеры и расположение отверстий! Хочется сделать отверстия, максимально приближенные заводским параметрам )
- niger
- Новичок
- Сообщения: 472
- Зарегистрирован: 17 сен 2008, 17:54
- Репутация: 1
- Гараж: 318i
- Откуда: Курган
- Поблагодарили: 6 раз
- Контактная информация:
Re: Хром зеркало. Нужен совет по установке!
в гороже валяются две двери до ресталенговые есле надо могу позже фотку кинуть ну или размер померить.заглушки вроде тоже были но состояние не помню.
да а авто у тебя класс молодец что продовать не стал создай тему в рразделе о нас думаю многим будет интересно.
да а авто у тебя класс молодец что продовать не стал создай тему в рразделе о нас думаю многим будет интересно.
Что себе позволяет этот NIGER
-
nikx
- Новичок
- Сообщения: 104
- Зарегистрирован: 31 авг 2010, 07:10
- Репутация: 0
- Откуда: Казахстан, Темиртау
Re: Хром зеркало. Нужен совет по установке!
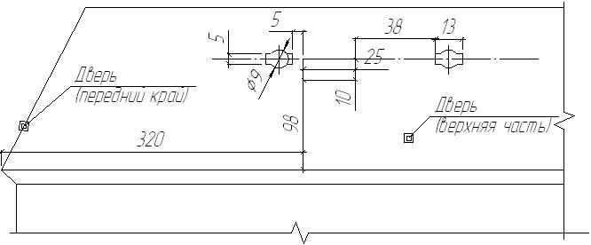
Вот форма и размеры отверстий под крепление зеркал на двери. У меня купешка, но думаю эти размеры подойдут ко всем кузовам
На реанимационном столе Акула купе BMW 316 1979 г.в.
- styxxx777
- Почётный житель
- Сообщения: 547
- Зарегистрирован: 29 окт 2009, 01:13
- Репутация: 0
- Откуда: Украина Харьков
- Поблагодарили: 5 раз
- Контактная информация:
Re: Хром зеркало. Нужен совет по установке!
nikx писал(а):Вот форма и размеры отверстий под крепление зеркал на двери. У меня купешка, но думаю эти размеры подойдут ко всем кузовам
Про "все кузова" - сильно сказал!
- bes-the-bes
- Почётный житель
- Сообщения: 638
- Зарегистрирован: 15 июн 2010, 18:51
- Репутация: 0
- Гараж: 323
- Откуда: Россия, Сочи
- Благодарил (а): 6 раз
- Поблагодарили: 5 раз
Re: Хром зеркало. Нужен совет по установке!
Друзья, спасибо большое за помощь!
nikx, отдельное спасибо за столь подробный чертеж!
niger, если не затруднит, скинь фото для визуальной наглядности и посмотри, пожалуйста, заглушки - не хотельсь бы, чтобы ветер гулял по салону
Обязательно создам тему в разделе "О нас", только воплощу в реальность несколько задумок, устранив неоригинальные элементы, доставшиеся от прежнего хозяина
nikx, отдельное спасибо за столь подробный чертеж!
niger, если не затруднит, скинь фото для визуальной наглядности и посмотри, пожалуйста, заглушки - не хотельсь бы, чтобы ветер гулял по салону
Обязательно создам тему в разделе "О нас", только воплощу в реальность несколько задумок, устранив неоригинальные элементы, доставшиеся от прежнего хозяина
- styxxx777
- Почётный житель
- Сообщения: 547
- Зарегистрирован: 29 окт 2009, 01:13
- Репутация: 0
- Откуда: Украина Харьков
- Поблагодарили: 5 раз
- Контактная информация:
Re: Хром зеркало. Нужен совет по установке!
Смотрел твою машинку по ссылочке. Очень понравилась! Удачи в реализации намеченного!..
- bes-the-bes
- Почётный житель
- Сообщения: 638
- Зарегистрирован: 15 июн 2010, 18:51
- Репутация: 0
- Гараж: 323
- Откуда: Россия, Сочи
- Благодарил (а): 6 раз
- Поблагодарили: 5 раз
- Madman
- Гордость клуба
- Сообщения: 2725
- Зарегистрирован: 23 май 2007, 11:02
- Репутация: 0
- Откуда: Украина, Луцк
- Благодарил (а): 9 раз
- Поблагодарили: 21 раз
- Контактная информация:
Re: Хром зеркало. Нужен совет по установке!
там в двери в месте крепления зеркала еще усилитель есть.
BMW Power only
- niger
- Новичок
- Сообщения: 472
- Зарегистрирован: 17 сен 2008, 17:54
- Репутация: 1
- Гараж: 318i
- Откуда: Курган
- Поблагодарили: 6 раз
- Контактная информация:
-
nikx
- Новичок
- Сообщения: 104
- Зарегистрирован: 31 авг 2010, 07:10
- Репутация: 0
- Откуда: Казахстан, Темиртау
Re: Хром зеркало. Нужен совет по установке!
У меня дырки отличаються
Похоже конструкторы BMW в разные годы разные крепления для зеркал делали?! Вот где им действительно нечем заняться!
На реанимационном столе Акула купе BMW 316 1979 г.в.
- styxxx777
- Почётный житель
- Сообщения: 547
- Зарегистрирован: 29 окт 2009, 01:13
- Репутация: 0
- Откуда: Украина Харьков
- Поблагодарили: 5 раз
- Контактная информация:
Re: Хром зеркало. Нужен совет по установке!
nikx писал(а):У меня дырки отличаютьсяПохоже конструкторы BMW в разные годы разные крепления для зеркал делали?! Вот где им действительно нечем заняться!
Вряд ли. Я вообще был уверен, что хром зеркало должно было только одно, с левой стороны. Даже вот фотки с инета у себя посмотрел - везде только слева... А тут на фото - правая дверь с дырками. Может какие неродные стояли?
- Chewbacca
- Гордость клуба
- Сообщения: 5195
- Зарегистрирован: 16 мар 2007, 21:37
- Репутация: 104
- Гараж: 316
- Откуда: Москва
- Благодарил (а): 29 раз
- Поблагодарили: 254 раза
Re: Хром зеркало. Нужен совет по установке!
Я так понимаю, это от комплектации зависело. Были варианты и с одним, и с двумя зеркалами
316 - 02/81
318i, Limited Edition "E" - 07/82
315 >> 328 - 10/82
318i, Limited Edition "E" - 07/82
315 >> 328 - 10/82
- bes-the-bes
- Почётный житель
- Сообщения: 638
- Зарегистрирован: 15 июн 2010, 18:51
- Репутация: 0
- Гараж: 323
- Откуда: Россия, Сочи
- Благодарил (а): 6 раз
- Поблагодарили: 5 раз
Re: Хром зеркало. Нужен совет по установке!
Варианты с одним хром зеркалом:
Вариант с двумя хром зеркалами:
nikx, чем у тебя дырки отличаются? Я по твоему чертежу выкройку начал делать )
Вариант с двумя хром зеркалами:
nikx, чем у тебя дырки отличаются? Я по твоему чертежу выкройку начал делать )
Вернуться в «Ремонт и эксплуатация»
Кто сейчас на конференции
Сейчас этот форум просматривают: нет зарегистрированных пользователей и 4 гостя
