куплю впускной коллектор на м10

Покупка и поиск запчастей. Только BMW.
тимоха
Новичок
Сообщения: 4
Зарегистрирован: 02 окт 2012, 13:31
Репутация: 0
Откуда: ставрополь

куплю впускной коллектор на м10

Сообщение тимоха » 31 окт 2012, 18:37

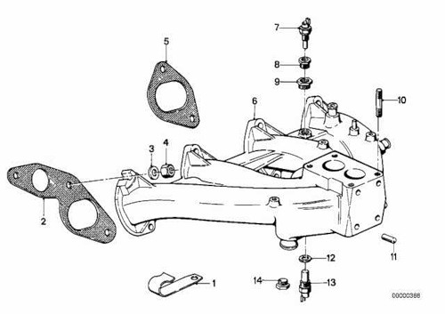
впускной коллектор на м10 как на фото
Вложения
впускной м10.jpg


Stereo
Почётный житель
Сообщения: 768
Зарегистрирован: 16 ноя 2009, 20:16
Репутация: 51
Гараж: 325
Откуда: Саратов
Благодарил (а): 20 раз
Поблагодарили: 18 раз

Re: куплю впускной коллектор на м10

Сообщение Stereo » 02 ноя 2012, 20:51

Есть такой, но он под головку от М10В20 или М10В18i
BMW E21, M20B25, 1977г.


Аватара пользователя
buxara
Почётный житель
Сообщения: 688
Зарегистрирован: 13 ноя 2011, 19:31
Репутация: 6
Гараж: 316
Откуда: Краснодарский край
Благодарил (а): 10 раз
Поблагодарили: 3 раза

Re: куплю впускной коллектор на м10

Сообщение buxara » 05 ноя 2012, 19:36

есть на 1.6
BMW ЭТО ДИАГНОЗ
8-918-45-91-371


Аватара пользователя
Wolf-777
Новичок
Сообщения: 184
Зарегистрирован: 27 мар 2012, 22:12
Репутация: 0
Откуда: Санкт-Петербург

Re: куплю впускной коллектор на м10

Сообщение Wolf-777 » 11 ноя 2012, 01:10

тоже есть такой, видать ему не надо...
моя ласточка http://www.drive2.ru/cars/bmw/3_series/3_series_e21/wolf-777/


тимоха
Новичок
Сообщения: 4
Зарегистрирован: 02 окт 2012, 13:31
Репутация: 0
Откуда: ставрополь

Re: куплю впускной коллектор на м10

Сообщение тимоха » 12 ноя 2012, 19:35

а в чем разница не пойму ? впускные окна больше ?


Stereo
Почётный житель
Сообщения: 768
Зарегистрирован: 16 ноя 2009, 20:16
Репутация: 51
Гараж: 325
Откуда: Саратов
Благодарил (а): 20 раз
Поблагодарили: 18 раз

Re: куплю впускной коллектор на м10

Сообщение Stereo » 12 ноя 2012, 20:44

тимоха писал(а):а в чем разница не пойму ? впускные окна больше ?

У моего да, он от в20
BMW E21, M20B25, 1977г.


Аватара пользователя
Wolf-777
Новичок
Сообщения: 184
Зарегистрирован: 27 мар 2012, 22:12
Репутация: 0
Откуда: Санкт-Петербург

Re: куплю впускной коллектор на м10

Сообщение Wolf-777 » 12 ноя 2012, 23:31

тимоха писал(а):а в чем разница не пойму ? впускные окна больше ?

дак тебе нужен или нет? у меня есть именно он.

Добавлено спустя 1 минуту 25 секунд:
а лучше у buxara возьми, доставка подешевле будет...
моя ласточка http://www.drive2.ru/cars/bmw/3_series/3_series_e21/wolf-777/



Вернуться в «Запчасти куплю»

Кто сейчас на конференции

Сейчас этот форум просматривают: нет зарегистрированных пользователей и 0 гостей